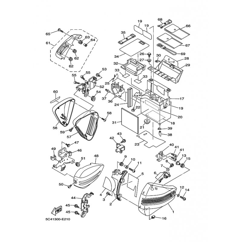
KONSOLE 4
Artikelname: KONSOLE 4
Hersteller: Yamaha
OEM Nummer: 1D72172N0000
Hersteller: Yamaha
OEM Nummer: 1D72172N0000




















