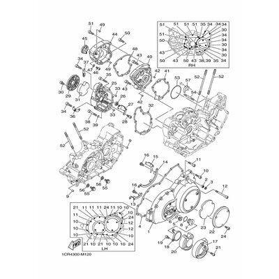
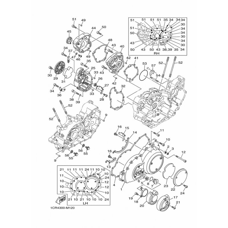
DECKEL, KURBELGEHAUSE 1
Artikelname: DECKEL, KURBELGEHAUSE 1
Hersteller: Yamaha
OEM Nummer: 1D7154111000
Hersteller: Yamaha
OEM Nummer: 1D7154111000






















