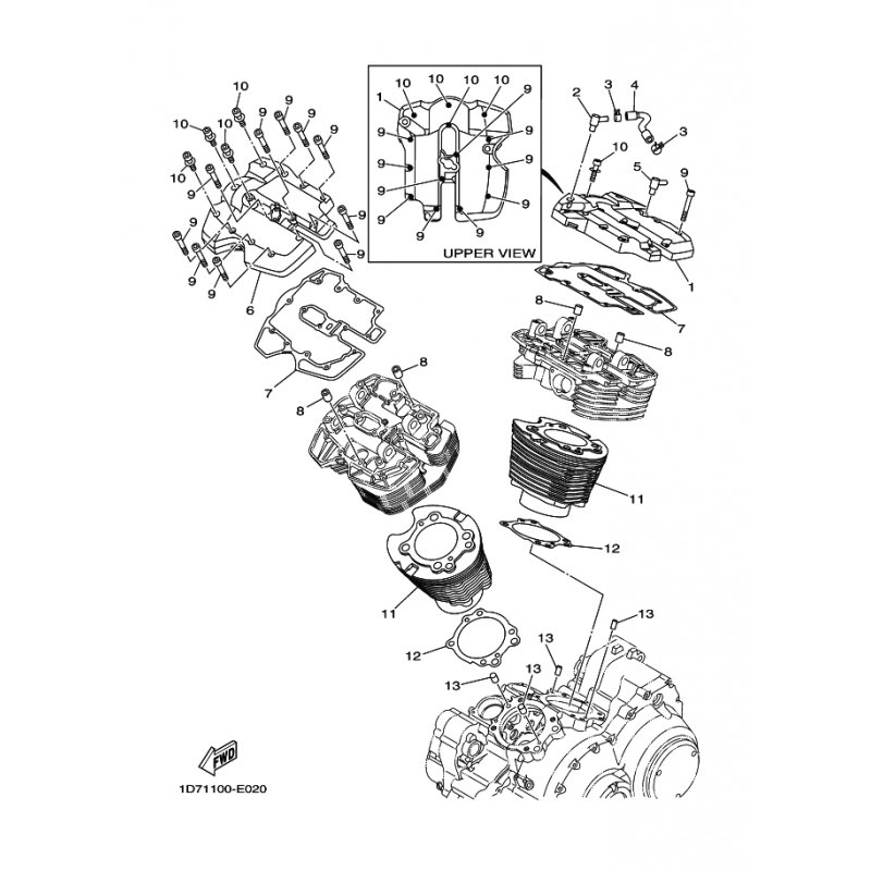
DECKEL, ZYLINDERKOPF 2
Artikelname: DECKEL, ZYLINDERKOPF 2
Hersteller: Yamaha
OEM Nummer: 1D7111920100
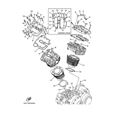
Hersteller: Yamaha
OEM Nummer: 1D7111920100




















