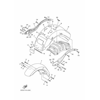
EMBLEM, YAMAHA
Artikelname: EMBLEM, YAMAHA
Hersteller: Yamaha
OEM Nummer: 1D62153E0000
Dieser Artikel wurde durch folgenden ersetzt: 1D62153E0100
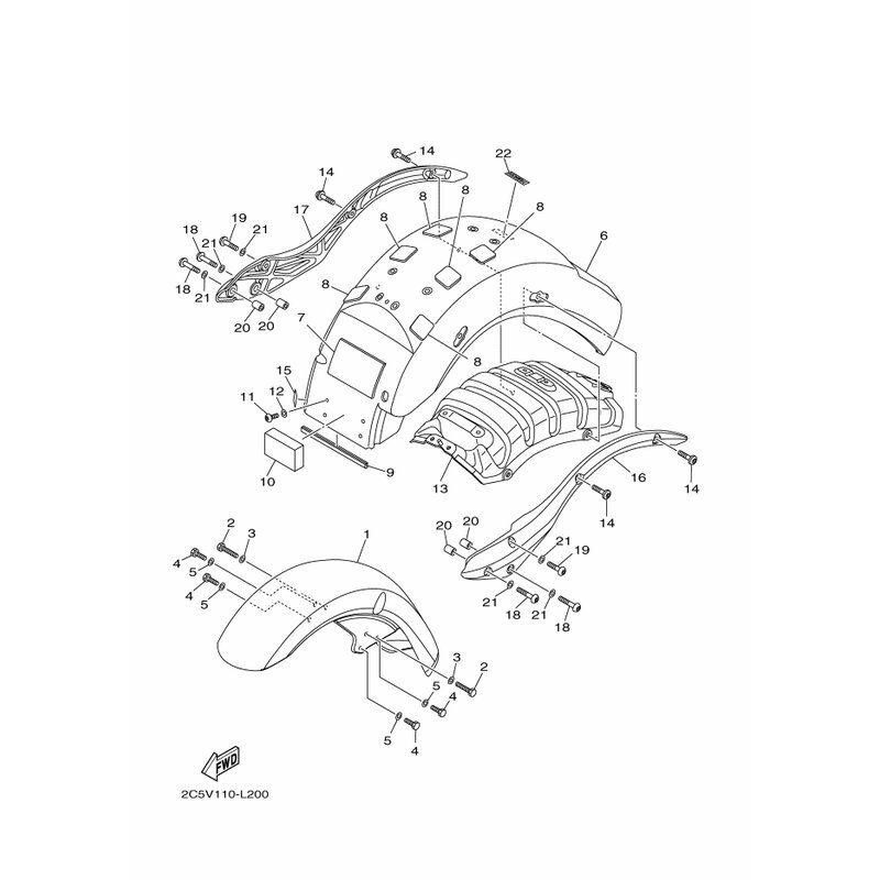
Hersteller: Yamaha
OEM Nummer: 1D62153E0000
Dieser Artikel wurde durch folgenden ersetzt: 1D62153E0100




















