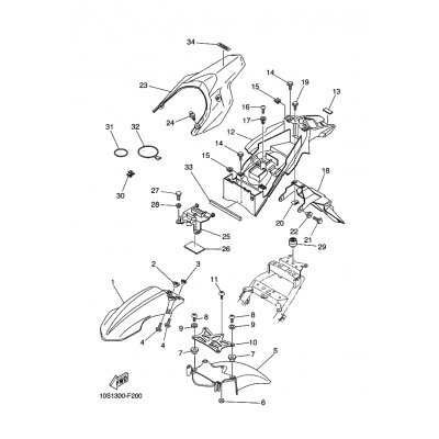
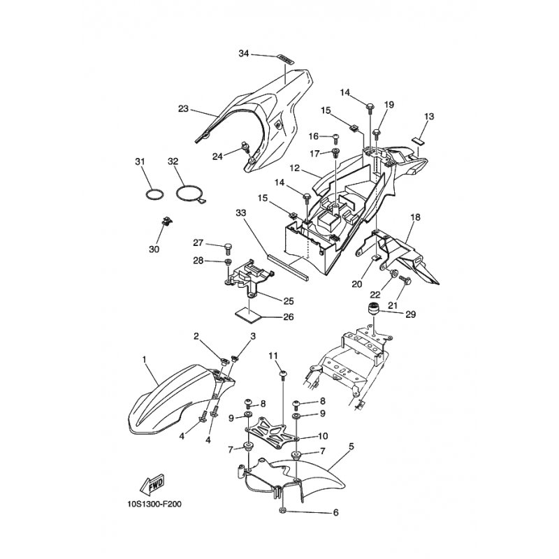
STUTZE, KOTFLUGEL 2
Artikelname: STUTZE, KOTFLUGEL 2
Hersteller: Yamaha
OEM Nummer: 1D2F15140000
Hersteller: Yamaha
OEM Nummer: 1D2F15140000




















