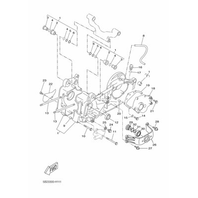
DECKEL, KURBELGEHAUSE 2
Artikelname: DECKEL, KURBELGEHAUSE 2
Hersteller: Yamaha
OEM Nummer: 1C0E54210000
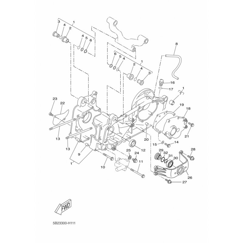
Hersteller: Yamaha
OEM Nummer: 1C0E54210000






















