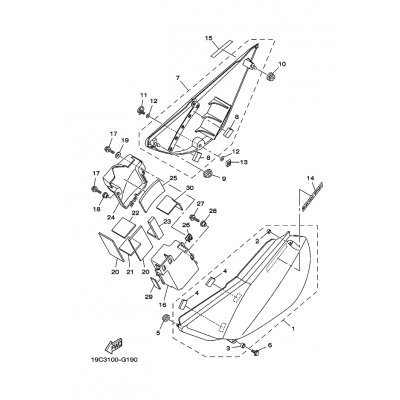
COVER
Artikelname: COVER
Hersteller: Yamaha
OEM Nummer: 1B28252U0000
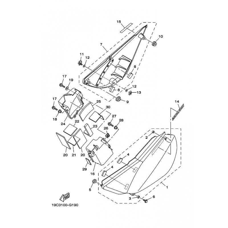
Hersteller: Yamaha
OEM Nummer: 1B28252U0000






















