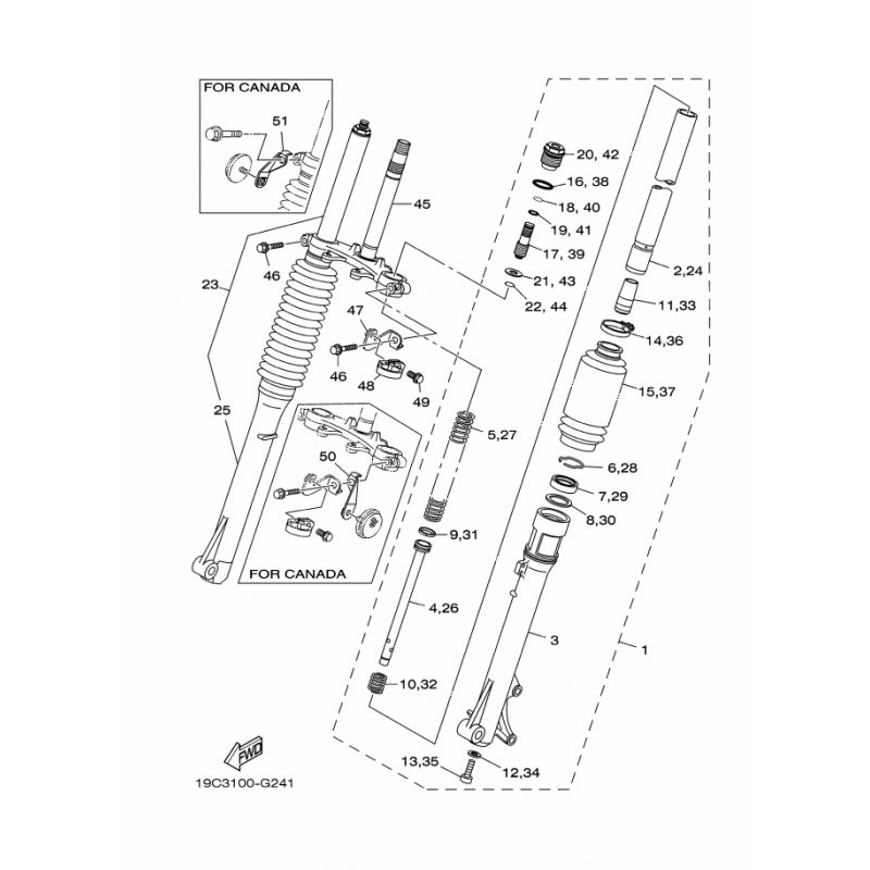
FEDERSITZ, OBEN
Artikelname: FEDERSITZ, OBEN
Hersteller: Yamaha
OEM Nummer: 1B2231420000
Hersteller: Yamaha
OEM Nummer: 1B2231420000






















