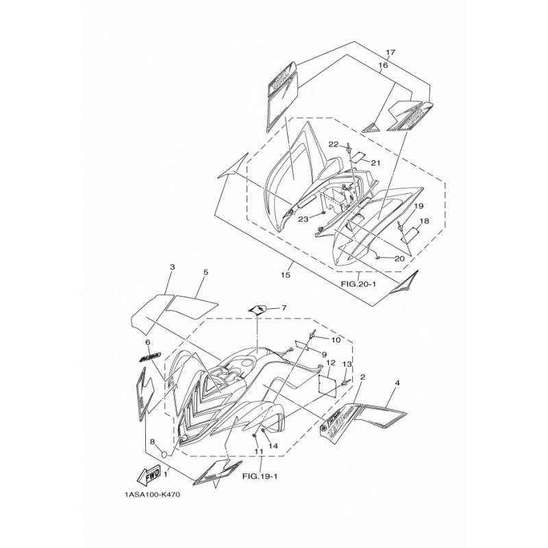
GRAPHIC, 3
Artikelname: GRAPHIC, 3
Hersteller: Yamaha
OEM Nummer: 1AS2167A2000
Hersteller: Yamaha
OEM Nummer: 1AS2167A2000






















