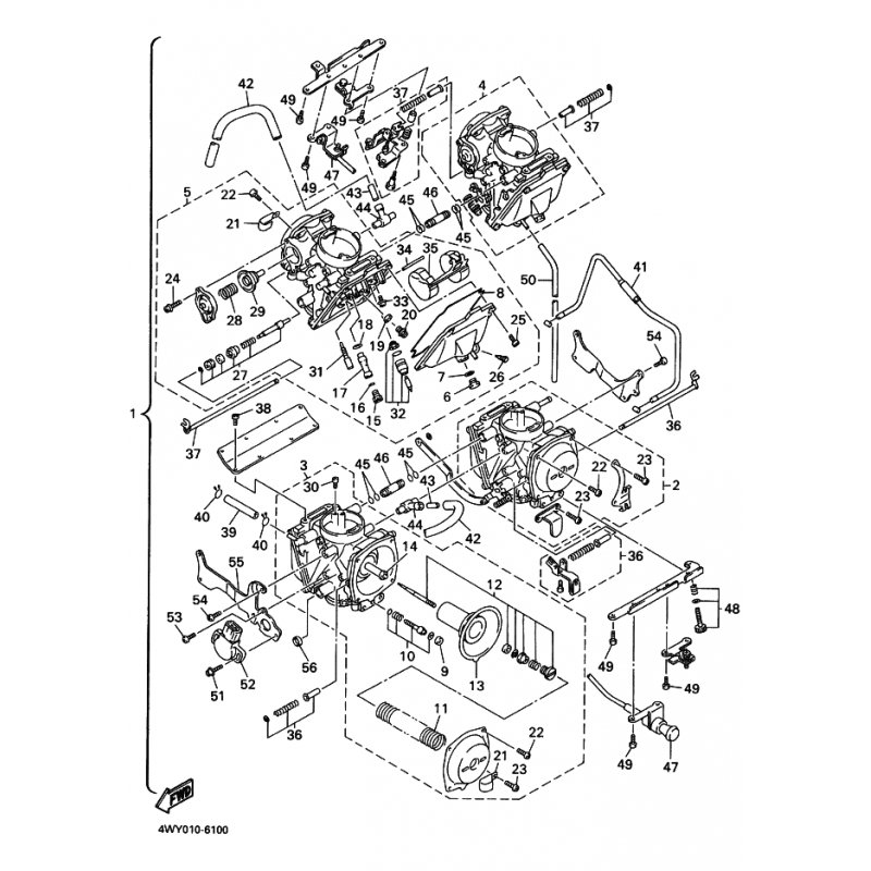
ROHR
Artikelname: ROHR
Hersteller: Yamaha
OEM Nummer: 1AE141970000
Hersteller: Yamaha
OEM Nummer: 1AE141970000




















