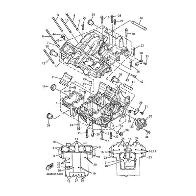
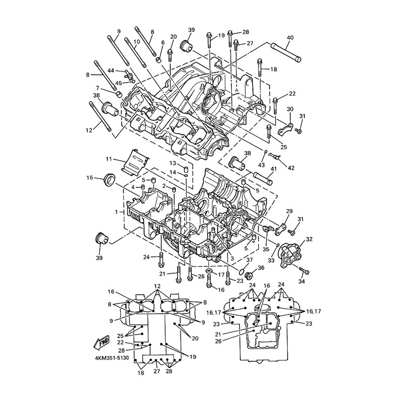
DAMPFER, MOTORAUFHANGUNG 1
Artikelname: DAMPFER, MOTORAUFHANGUNG 1
Hersteller: Yamaha
OEM Nummer: 1AA153160100
Hersteller: Yamaha
OEM Nummer: 1AA153160100






















