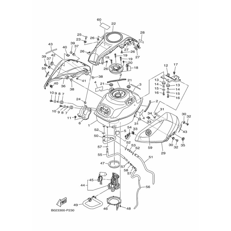
COVER, TANK
Artikelname: COVER, TANK
OEM: 1WD-F41B1-00-P0 [1WDF41B100P0]
OEM: 1WD-F41B1-00-P0 [1WDF41B100P0]





















