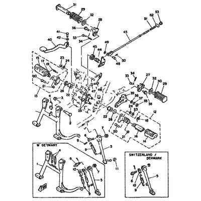
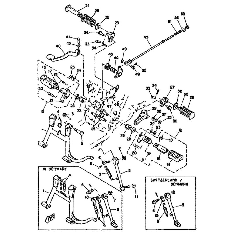
SCHRAUBE
Artikelname: SCHRAUBE
OEM: 1U4-27317-00 [1U4273170000]
OEM: 1U4-27317-00 [1U4273170000]




















