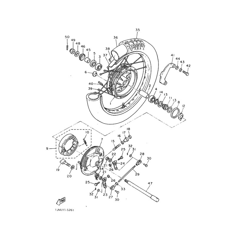
KAPPE
Artikelname: KAPPE
OEM: 1JN-25188-00 [1JN251880000]
OEM: 1JN-25188-00 [1JN251880000]






















