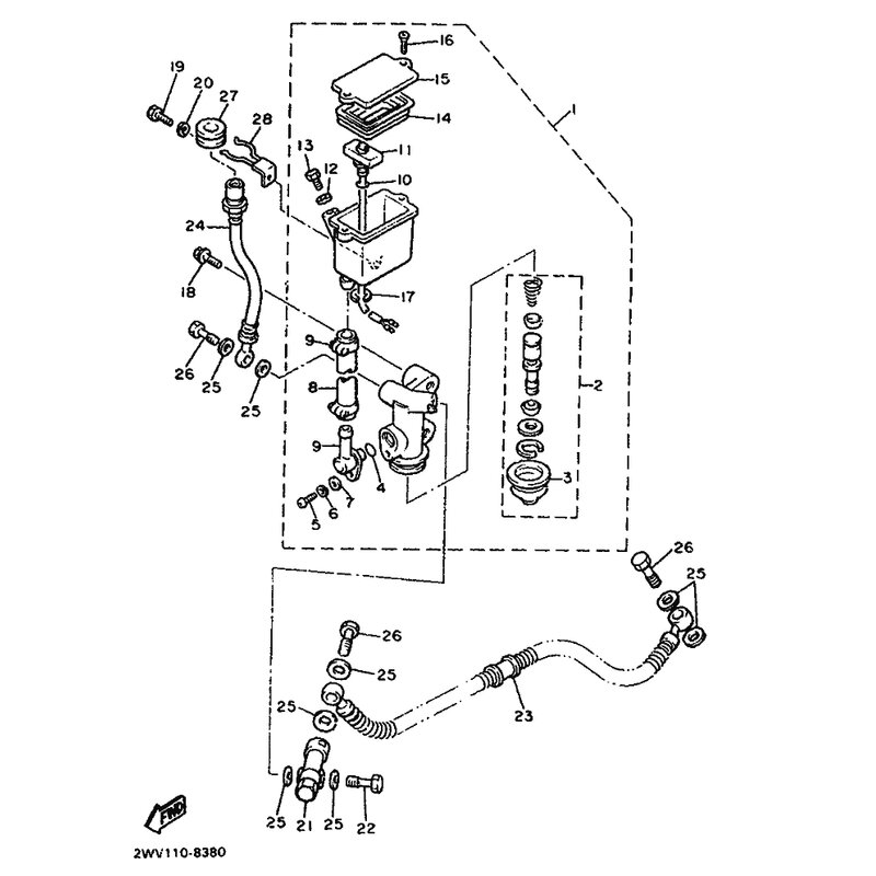
MANSCHETTE, HAUPTBREMSZYL
Artikelname: MANSCHETTE, HAUPTBREMSZYL
OEM: 1J3-25862-51 [1J3258625100]
OEM: 1J3-25862-51 [1J3258625100]




















