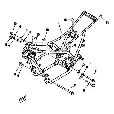
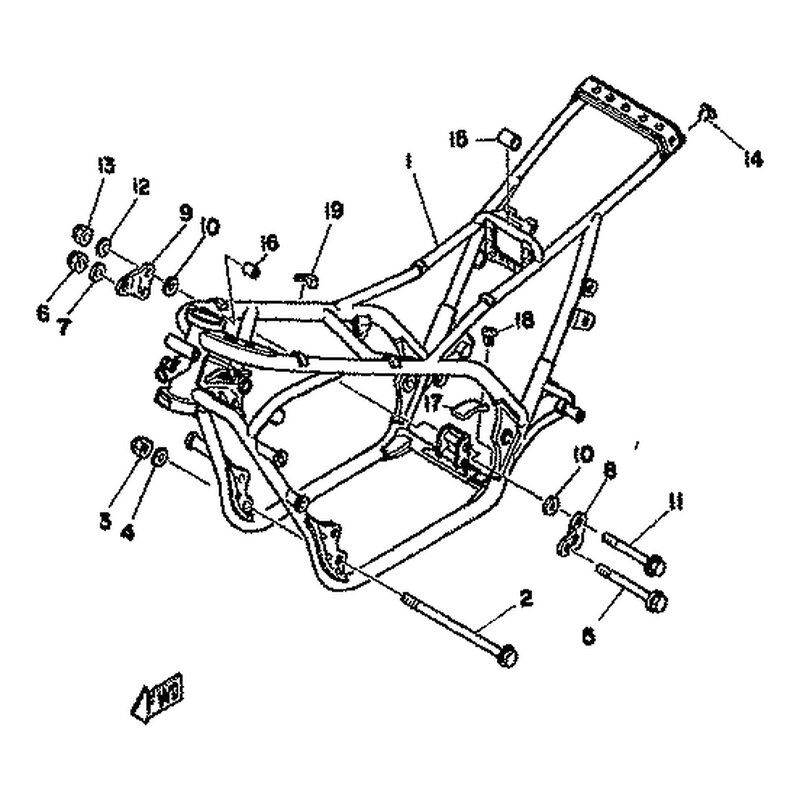
STUTZE, MOTOR 5
Artikelname: STUTZE, MOTOR 5
OEM: 1H3-21314-00 [1H3213140000]
OEM: 1H3-21314-00 [1H3213140000]






















