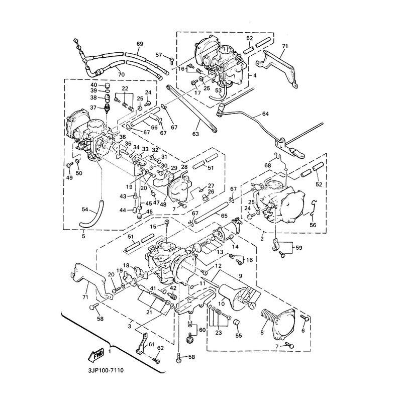
VERGASEREINHEIT
Artikelname: VERGASEREINHEIT
OEM: 1FK-14900-02 [1FK149000200]
OEM: 1FK-14900-02 [1FK149000200]






















