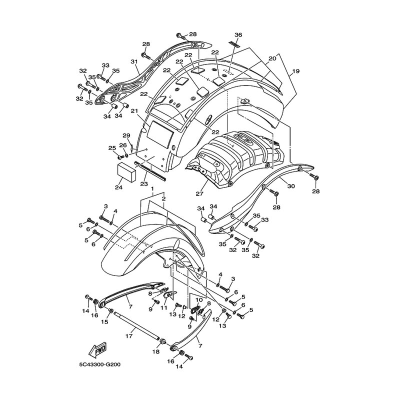
AUFKLEBERSATZ, V. KOTFLUGEL
Artikelname: AUFKLEBERSATZ, V. KOTFLUGEL
OEM: 1D7-21570-C0 [1D721570C000]
OEM: 1D7-21570-C0 [1D721570C000]






















