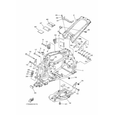
BRACKET
Artikelname: BRACKET
Hersteller: Yamaha
OEM Nummer: 18P211310000
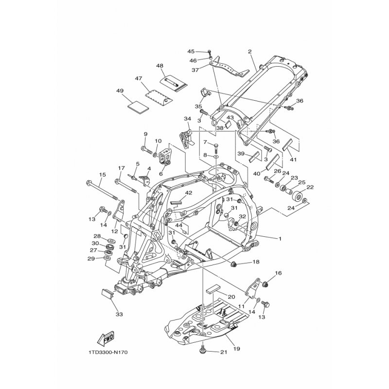
Hersteller: Yamaha
OEM Nummer: 18P211310000




















