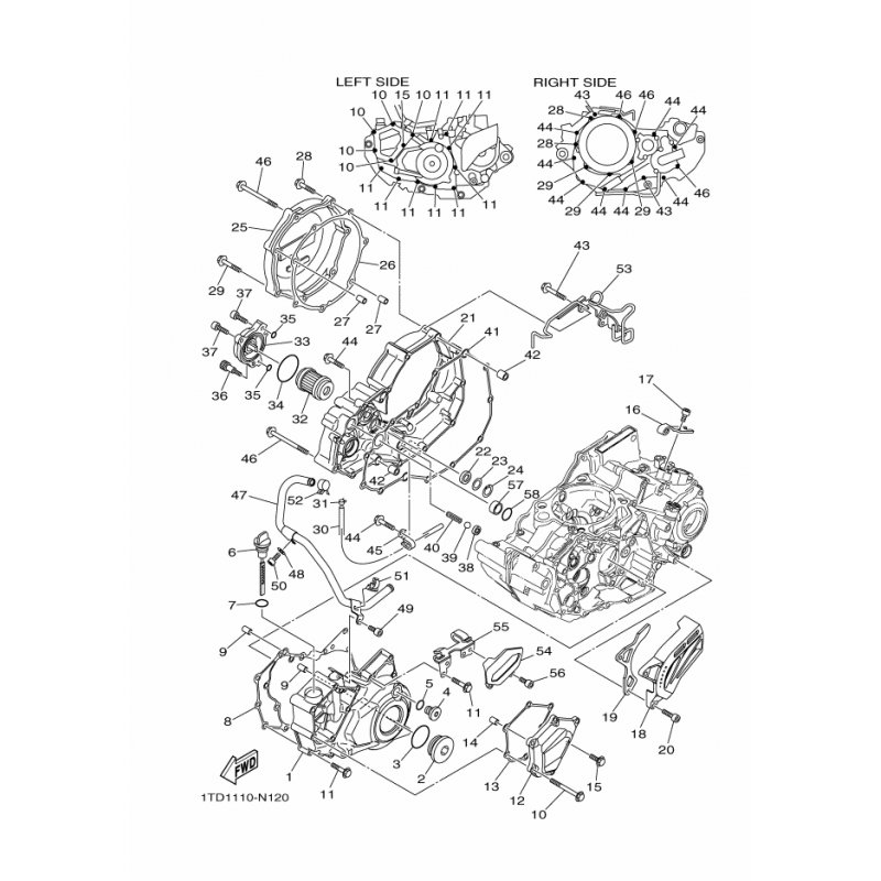
STUTZE, KURBELGEHAUSEDECKEL
Artikelname: STUTZE, KURBELGEHAUSEDECKEL
Hersteller: Yamaha
OEM Nummer: 18P1541A0000
Hersteller: Yamaha
OEM Nummer: 18P1541A0000






















