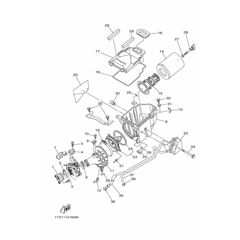
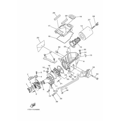
GEHAUSE, LUFTFILTER 1
Artikelname: GEHAUSE, LUFTFILTER 1
Hersteller: Yamaha
OEM Nummer: 18P144110000
Hersteller: Yamaha
OEM Nummer: 18P144110000




















