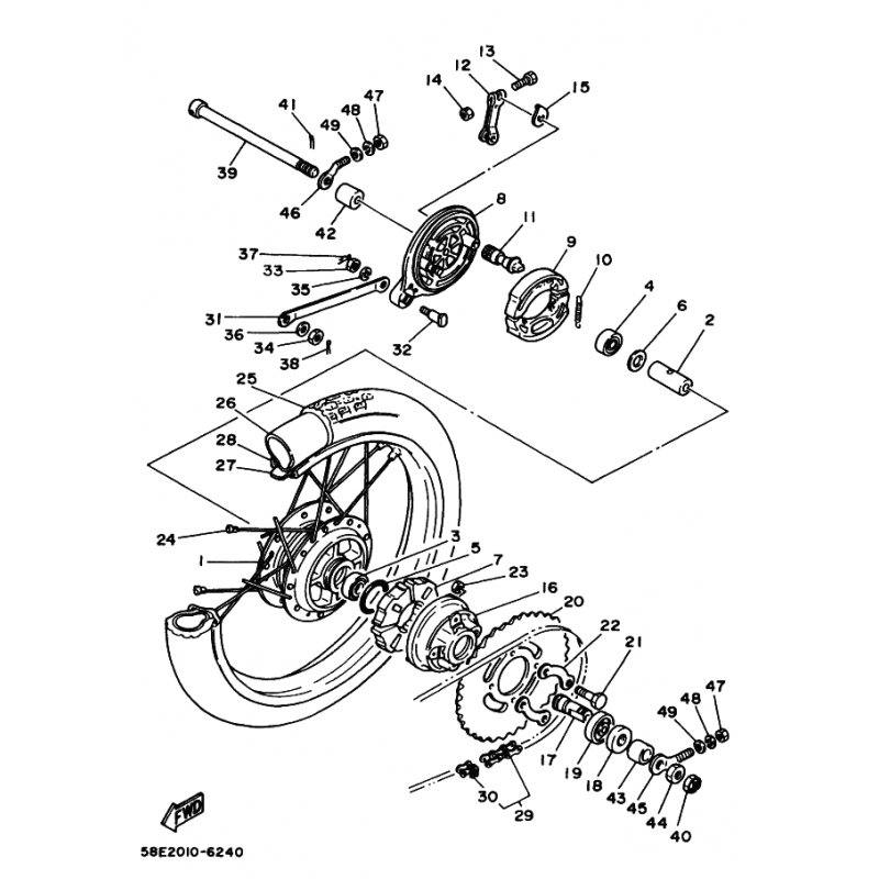
RADNABE, HINTEN
Artikelname: RADNABE, HINTEN
Hersteller: Yamaha
OEM Nummer: 18A2531100Y8
Dieser Artikel wurde durch folgenden ersetzt: 18A253110035
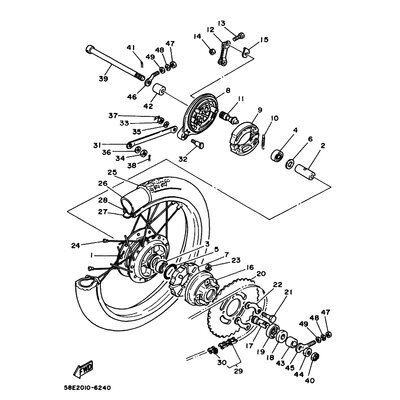
Hersteller: Yamaha
OEM Nummer: 18A2531100Y8
Dieser Artikel wurde durch folgenden ersetzt: 18A253110035




















