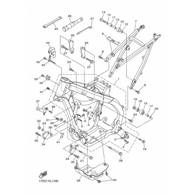
KONSOLE, V. UNTEN 1
Artikelname: KONSOLE, V. UNTEN 1
Hersteller: Yamaha
OEM Nummer: 17D214175000
Dieser Artikel wurde durch folgenden ersetzt: 17D214175100
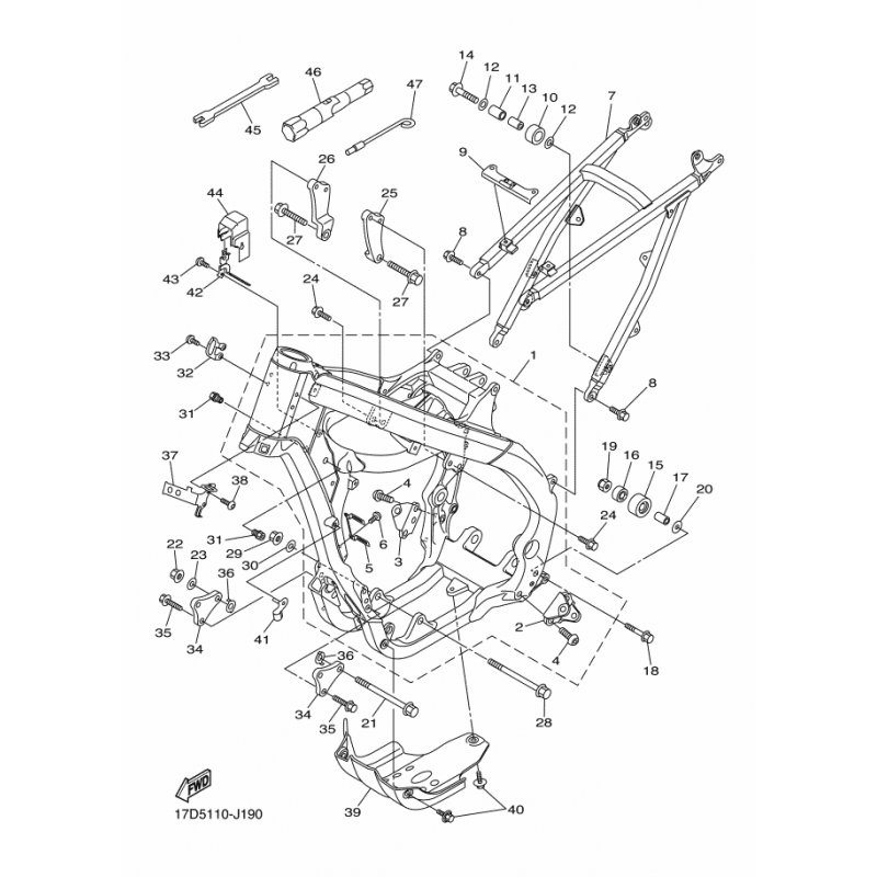
Hersteller: Yamaha
OEM Nummer: 17D214175000
Dieser Artikel wurde durch folgenden ersetzt: 17D214175100




















