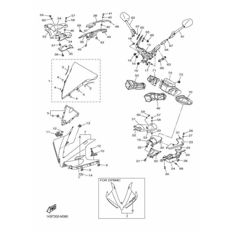
FASSUNG 1
Artikelname: FASSUNG 1
Hersteller: Yamaha
OEM Nummer: 14B2628N0000
Hersteller: Yamaha
OEM Nummer: 14B2628N0000




















