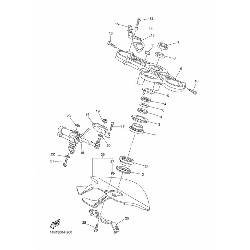
LENKERKRONE
Artikelname: LENKERKRONE
Hersteller: Yamaha
OEM Nummer: 14B234350000
Hersteller: Yamaha
OEM Nummer: 14B234350000




















