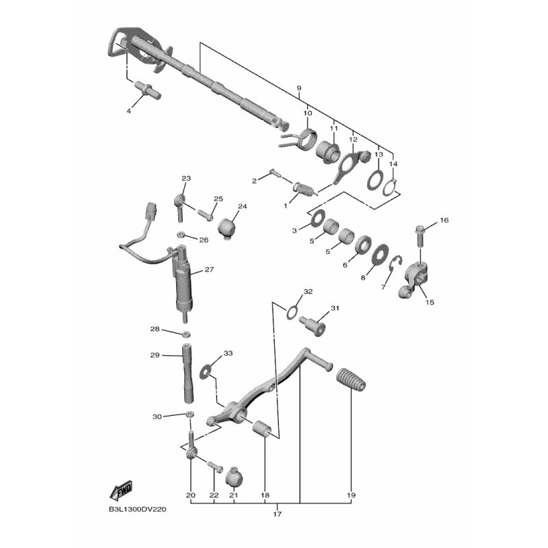
ANSCHLAGHEBELEINHEIT
Artikelname: ANSCHLAGHEBELEINHEIT
Hersteller: Yamaha
OEM Nummer: 14B181400000
Hersteller: Yamaha
OEM Nummer: 14B181400000






















