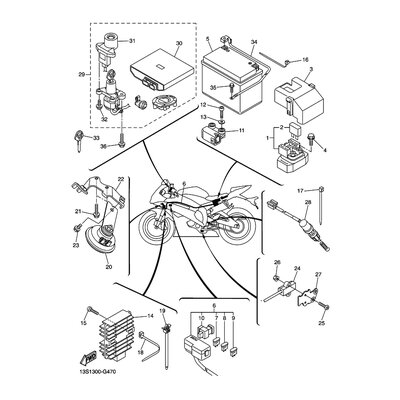
WEGFAHRSPERREN SATZ
Artikelname: WEGFAHRSPERREN SATZ
Hersteller: Yamaha
OEM Nummer: 13SW8250F100
Dieser Artikel wurde durch folgenden ersetzt: 13SW8250F000
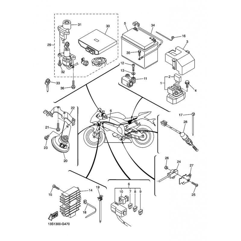
Hersteller: Yamaha
OEM Nummer: 13SW8250F100
Dieser Artikel wurde durch folgenden ersetzt: 13SW8250F000






















