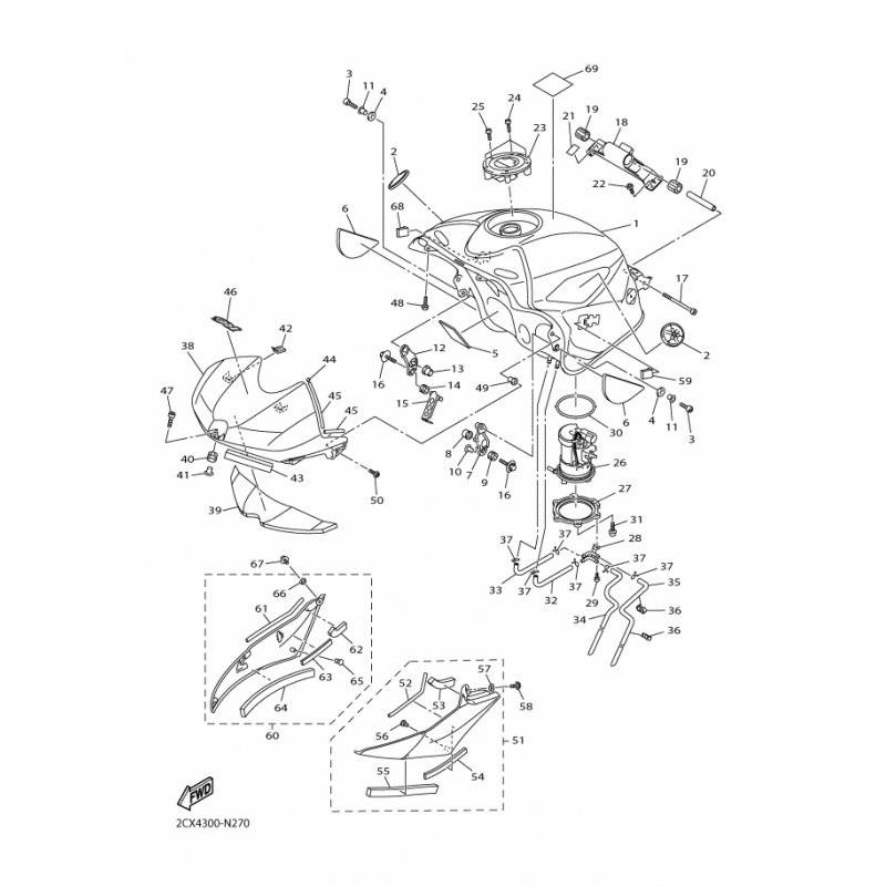
DAMPFER, SEITENDECKEL
Artikelname: DAMPFER, SEITENDECKEL
Hersteller: Yamaha
OEM Nummer: 13S241451000
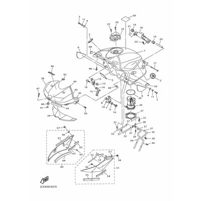
Hersteller: Yamaha
OEM Nummer: 13S241451000






















