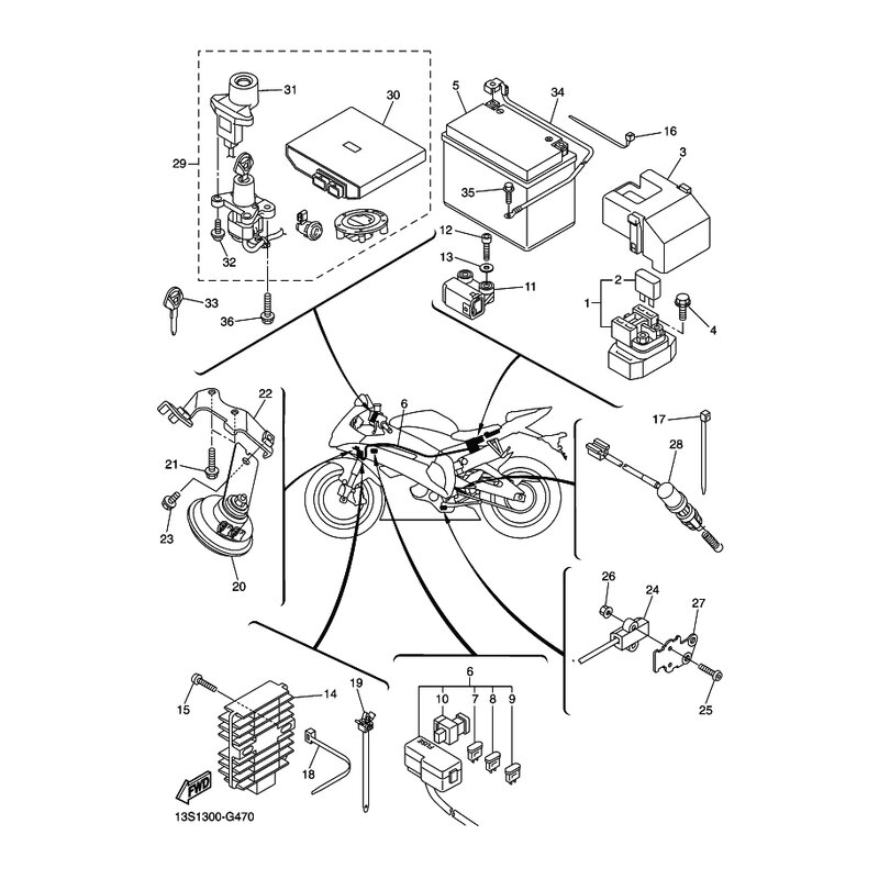
KONSOLE, SIGNALHORN
Artikelname: KONSOLE, SIGNALHORN
Hersteller: Yamaha
OEM Nummer: 13S233770000
Hersteller: Yamaha
OEM Nummer: 13S233770000






















