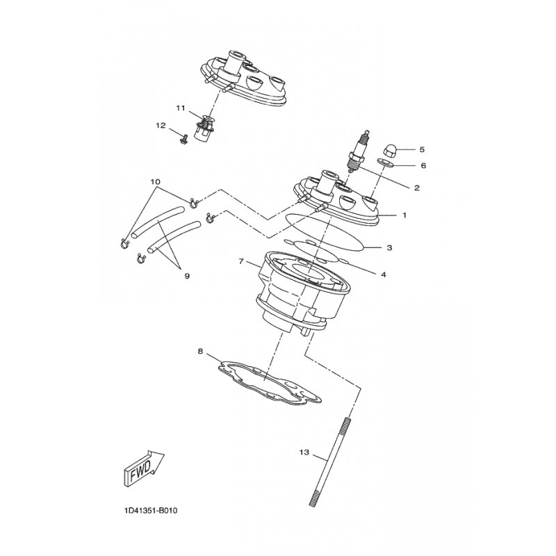
ZYLINDER 1, OHNE KOLBEN
Artikelname: ZYLINDER 1, OHNE KOLBEN
Hersteller: Yamaha
OEM Nummer: 13CE13110000
Hersteller: Yamaha
OEM Nummer: 13CE13110000






















