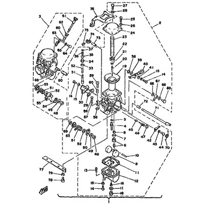
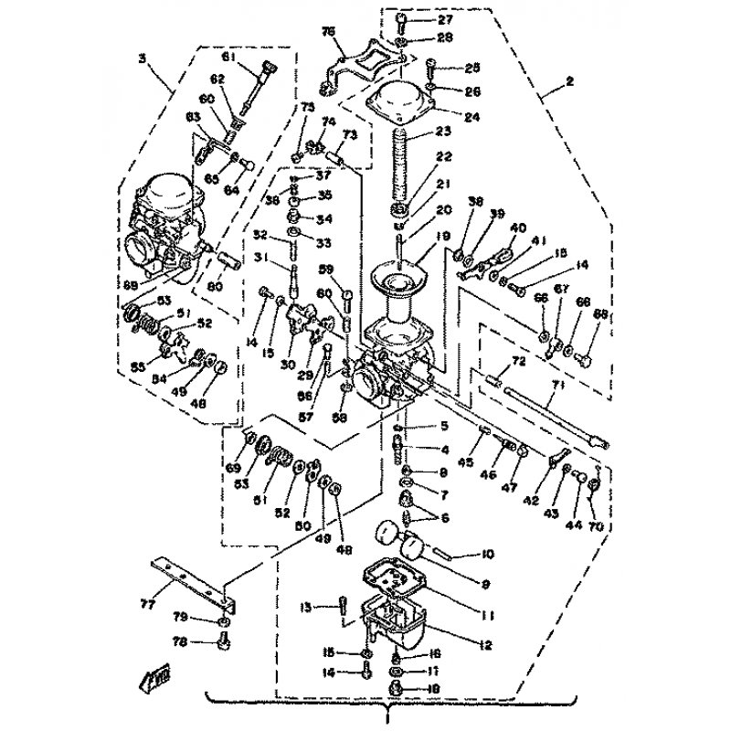
FEDER, LUFTREGULIERUNG
Artikelname: FEDER, LUFTREGULIERUNG
Hersteller: Yamaha
OEM Nummer: 127141340000
Hersteller: Yamaha
OEM Nummer: 127141340000






















