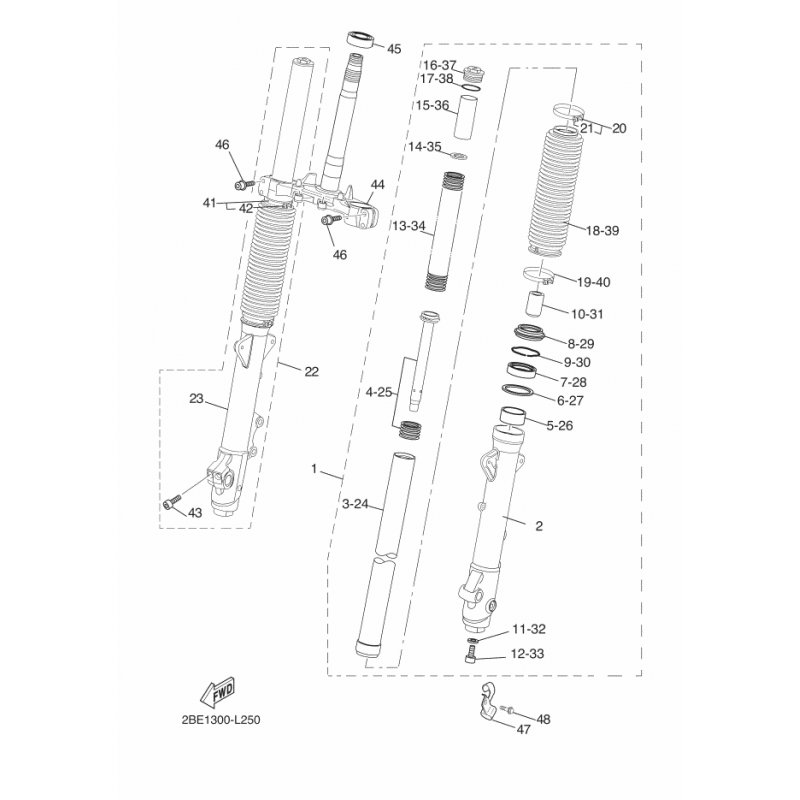
MANSCHETTE
Artikelname: MANSCHETTE
Hersteller: Yamaha
OEM Nummer: 11D231911000
Hersteller: Yamaha
OEM Nummer: 11D231911000






















