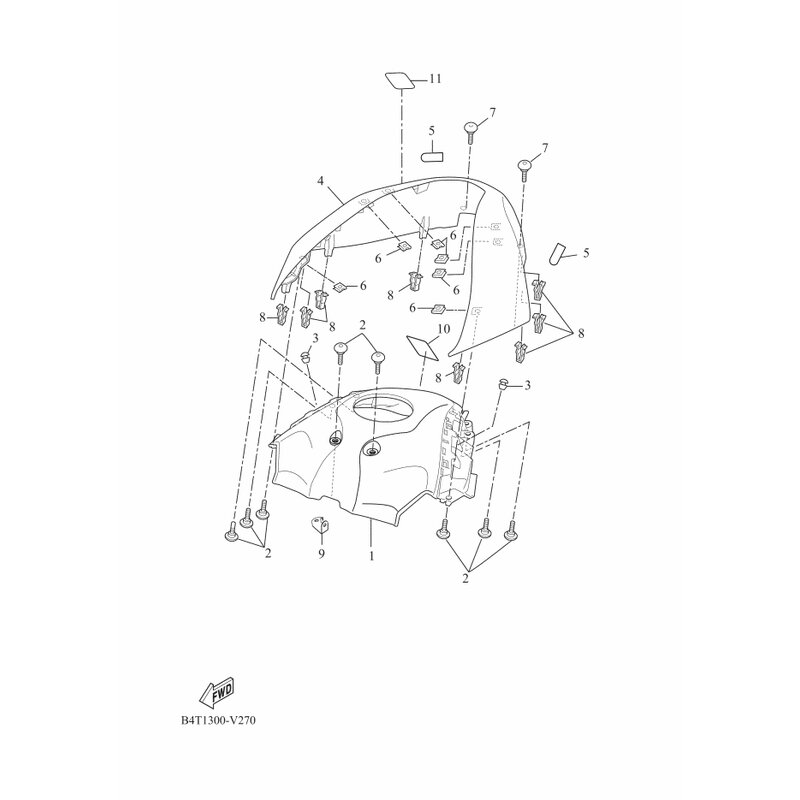
SCHUTZ, KRAFTSTOFFTANK
Artikelname: SCHUTZ, KRAFTSTOFFTANK
OEM: 11D-F4141-10 [11DF41411000]
OEM: 11D-F4141-10 [11DF41411000]






















