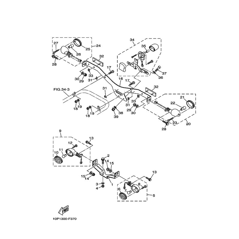
STUTZE, BLINKER 1
Artikelname: STUTZE, BLINKER 1
Hersteller: Yamaha
OEM Nummer: 10PH33180000
Hersteller: Yamaha
OEM Nummer: 10PH33180000






















