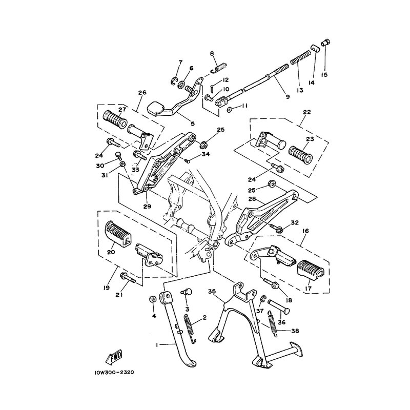
KONSOLE 2
Artikelname: KONSOLE 2
OEM: 10W-27442-01 [10W274420100]
OEM: 10W-27442-01 [10W274420100]




















